Производительность, л/мин: 60;
Максимальная напор, м: 54;
Потребляемая мощность, Вт: 1130;
Страна производства: Венгрия;
Срок гарантии, мес: 24.
-
Код товара: 18357Grundfos JPA 4-54 PT-H - Описание
- Характеристики
- Сопутствующие товары
- Отзывы
- Вопрос-ответ
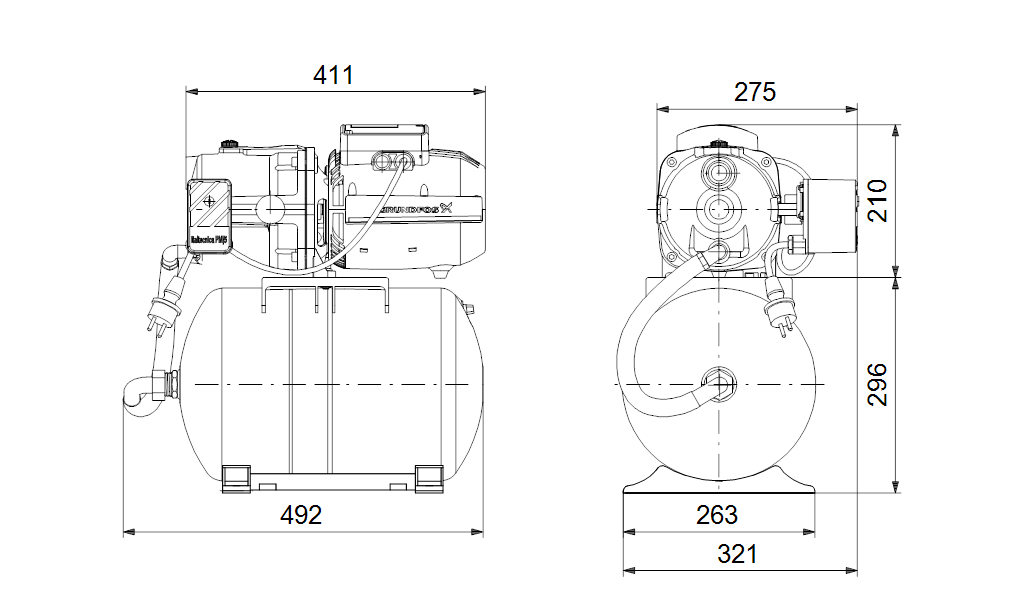
GRUNDFOS JPA 4-54 PT-H - это полностью укомплектованная насосная станция, предназначенная для перекачивания чистых сред без твердых и волокнистых включений. В состав станции входит: самовсасывающий центробежный насос Грундфос JPA 4-54 со встроенным эжектором, мембранный бак (емкость горизонтального бака 20 л), манометр, реле давления, кабель и штекер с заземляющим контактом. Благодаря встроенному гидробаку сокращается количество включений-выключений, снижается степень износа деталей. Реле давления автоматически включает и отключает насос.

Насосная станция полностью готова к подключению и эксплуатации, может поднимать воду с глубины 8 метров. Низкий уровень шума при работе (до 77 дБ) не причиняет неудобств пользователям.
GRUNDFOS JPA 4-54 PT-H используется для:
- повышения давления в существующих системах водоснабжения
- водоснабжения частных домов,
- подачи воды из колодцев
- подачи воды для нужд сада и огорода,
- перекачивания воды
Самовсасывающий моноблочный насос GRUNDFOS JPA 4-54 имеет встроенный эжектор, что позволяет насосу хорошо всасывать воду и подавать ее в дальнейшую систему водоснабжения. GRUNDFOS JPA 4-54 PT-H имеет низкий уровень производимого при работе шума - до 77 дБ, таким образом она не причиняет дискомфорта пользователю, когда находится во включенном состоянии.
Насосы JPA являются самовсасывающими центробежными моноблочными насосами с корпусом, выполненном из чугуна. Насос имеет встроенный эжектор, который обеспечивает хорошую всасывающую способность с глубины до 8м.

ОСОБЕННОСТИ И ПРЕИМУЩЕСТВА:
- Низкий уровень шума
- Маленькие габариты
- Легкий и быстрый монтаж
- Самовсасывающий насос
- Легкость в эксплуатации
- Встроенная защита
- Напорный гидроаккумулятор
|
Модель
|
JPA 4-54 PT-H |
|
Объем бака, л
|
20 |
|
Потребляемая мощность, Вт
|
1130 |
|
Напряжение в сети, В
|
220 |
|
Тип насоса
|
насосная станция |
|
Максимальный напор, м
|
54 |
|
Производительность, max (л/мин)
|
60 |
|
Материал корпуса насоса
|
чугун |
|
Длина кабеля, м
|
2 |
|
Глубина погружения, м
|
8 |
|
Защита от сухого хода
|
нет |
|
Уровень шума, дБ
|
77 |
|
Температура перекачиваемой жидкости, max, C
|
35 |
|
Частота, Гц
|
50 |
|
Мин. температура жидкости, °С
|
0 |
|
Макс. температура жидкости, °С
|
+35 |
|
Глубина всасывания, м
|
8 |
|
Класс защиты
|
IP44 |
|
Высота, мм
|
506 |
|
Ширина, мм
|
321 |
|
Вес, кг
|
19 |
|
Присоединительный размер, мм (дюймов)
|
25 (1") |
|
Длина, мм
|
492 |
|
Максимальное рабочее давление, бар
|
8 |
|
Страна производства
|
Венгрия |
|
Производитель
|
GRUNDFOS A/S. Poul Due Jensens Vej 7. DK-8850 Bjerringbro, Дания |
|
Срок гарантии (мес)
|
24 |
Наши квалифицированные специалисты обязательно вам помогут.
- Популярные
- Автоматика для насосов
- Расширительные баки
- Группа безопасности для котлов
- Краны шаровые для воды
- Кронштейны крепления расширительных баков
- Фланцы для баков
- Обратные и сливные клапана
- Полиэтиленовые трубы для питьевой воды
- Соединительные шланги для насосов
- Фитинги
- Манометры
- Штуцеры
- Трос нержавеющий, шнур для насосов
- Шланги и муфты для дренажных и фекальных насосов
- Запасные части к насосам
- Поливочные шланги
- Магистральные фильтры для очистки воды
- Корпуса для магистральных фильтров
- Картриджи для магистральных фильтров
- Циркуляционные насосы для отопления
- Циркуляционные насосы для систем ГВС
- Гидроаккумуляторы для воды
- Пневмоинструменты для компрессоров
- Шланги и рукава
- Компрессорные головки
-
Быстрый просмотрКод товара: 2087
Быстрый просмотрКод товара: 10102Джилекс "КРАБ" - Комплексное Решение Автоматизации на Баке. Содержит необходимый и достаточный набор элементов системы водоснабжения в одном изделии. Предназначен для: - автоматического управления включением и выключением электронасосов, - поддержания заданного давления в системе водоснабжен...
Быстрый просмотрКод товара: 10101Джилекс "КРАБ" - Комплексное Решение Автоматизации на Баке. Содержит необходимый и достаточный набор элементов системы водоснабжения в одном изделии. Предназначен для: - автоматического управления включением и выключением электронасосов, - поддержания заданного давления в системе вод...
Быстрый просмотрКод товара: 2042Реле давления ITALTECNICA предназначено для включения/выключения любых насосов 220В мощностью до 1500 Вт. G - внутренняя резьба (1/4"). Производство: Италия
Быстрый просмотрКод товара: 11238Готовый комплект автоматики для управления поверхностными и глубинными насосами с двигателем мощностью до 1500 Вт. Производство: КНР. Гарантия: 12 мес. -
Быстрый просмотрКод товара: 73880Выберите комфорт постоянного давления и бесшумность насоса, которые может предложить только система с инвертором. Универсальная модель для насосов с однофазным двигателем 230 В и трехфазным двигателем 380 В. Установка и программируемость насосов очень просты. При первом запуске система про...
Быстрый просмотрКод товара: 1349Универсальная модель для электрических насосов с однофазным 230В и трехфазным выходом 230 двигателя. Специализированный преобразователь частоты SIRIO UNIVERSAL (Italtecnica Srl, Италия) Модель 2020 года с универсальной способность управлять скоростью насосов с двумя разными типами электропитания ...
Быстрый просмотрКод товара: 8512Джилекс "КРАБ" - Комплексное Решение Автоматизации на Баке. Содержит необходимый и достаточный набор элементов системы водоснабжения в одном изделии. Предназначен для: - автоматического управления включением и выключением электронасосов, - поддержания заданного давления в системе водоснабжен...
Быстрый просмотрКод товара: 8510Джилекс "КРАБ" - Комплексное Решение Автоматизации на Баке. Содержит необходимый и достаточный набор элементов системы водоснабжения в одном изделии. Предназначен для: - автоматического управления включением и выключением электронасосов, - поддержания заданного давления в системе во...
Быстрый просмотрКод товара: 10102Джилекс "КРАБ" - Комплексное Решение Автоматизации на Баке. Содержит необходимый и достаточный набор элементов системы водоснабжения в одном изделии. Предназначен для: - автоматического управления включением и выключением электронасосов, - поддержания заданного давления в системе водоснабжен... -
Быстрый просмотрКод товара: 11084TEPLOX РБ-2 служит для компенсации изменения объема воды в замкнутых системах отопления и обеспечения постоянного давления. Без возможности замены мембраны!
Быстрый просмотрКод товара: 65142Диаметр разъема соединения, дюйм: 3/4; Температура жидкости, max, C: 99; Объем бака, л: 5; Страна производства: Россия; Гарантия: 12 мес.
Быстрый просмотрКод товара: 11099TEPLOX РБ-5 служит для компенсации изменения объема воды в замкнутых системах отопления и обеспечения постоянного давления. Материал мембраны EPDM.
Быстрый просмотрКод товара: 75149Фланец из нержавеющей стали!
Быстрый просмотрКод товара: 74394 -
Быстрый просмотрКод товара: 7520951.16 руб.В корзинуВ корзинеВ корзинуВ корзине
Быстрый просмотрКод товара: 7520858.67 руб.В корзинуВ корзинеВ корзинуВ корзине
Быстрый просмотрКод товара: 7520645.34 руб.В корзинуВ корзинеВ корзинуВ корзине
Быстрый просмотрКод товара: 7520493.19 руб.В корзинуВ корзинеВ корзинуВ корзине
Быстрый просмотрКод товара: 7520360.91 руб.В корзинуВ корзинеВ корзинуВ корзине -
Быстрый просмотрКод товара: 10165Кран шаровый ДЖИЛЕКС 32х1"П ПНД ( П* - наружная резьба ), предназначенный для перекрывания воды в системах водоснабжения.12 руб.В корзинуВ корзинеВ корзинуВ корзине
Быстрый просмотрКод товара: 10166Кран шаровый ДЖИЛЕКС 32х1"М ПНД ( М* - внутренняя резьба ), предназначенный для перекрывания воды в системах водоснабжения.12 руб.В корзинуВ корзинеВ корзинуВ корзине
Быстрый просмотрКод товара: 5249012.99 руб.В корзинуВ корзинеВ корзинуВ корзине
Быстрый просмотрКод товара: 52487от 14.80 руб.14.80 руб.
Быстрый просмотрКод товара: 5248312 руб.В корзинуВ корзинеВ корзинуВ корзине -
Быстрый просмотрКод товара: 16794Предназначен для крепления расширительного бака к стене. Для баков на 6 л. Со стальным хомутом в комплекте.21 руб.В корзинуВ корзинеВ корзинуВ корзине
Быстрый просмотрКод товара: 16795Предназначен для крепления расширительного бака к стене. Для баков на 10 л. Со стальным хомутом в комплекте.21 руб.В корзинуВ корзинеВ корзинуВ корзине
Быстрый просмотрКод товара: 16796Предназначен для крепления расширительного бака к стене. Для баков на 14 л. Со стальным хомутом в комплекте.23 руб.В корзинуВ корзинеВ корзинуВ корзине
Быстрый просмотрКод товара: 2390Предназначен для крепления расширительного бака к стене. Для баков на 18-24 л. Со стальным хомутом в комплекте.23 руб.В корзинуВ корзинеВ корзинуВ корзине
Быстрый просмотрКод товара: 225813 руб.В корзинуВ корзинеВ корзинуВ корзине -
Быстрый просмотрКод товара: 70335Вечный фланец для Вашего гидроаккумулятора! Фланец используется в гидроаккумуляторах и расширительных баках. Диаметр фланца 125 мм. (по центрам отверстий) Диаметр резьбы 32,5 мм. (1 дюйм)20 руб.В корзинуВ корзинеВ корзинуВ корзине
Быстрый просмотрКод товара: 65041Контрфланец со штуцером для гидроаккумуляторов, расширительных баков и гелиосистем Wester. Присоединительный размер – 1 дюйм. Диаметр фланца - 140 мм.23.22 руб.В корзинуВ корзинеВ корзинуВ корзине
Быстрый просмотрКод товара: 11116Для гидроаккумуляторов АКВАБРАЙТ объемом 12-36 литров. Присоединительный размер – 3/4. Диаметр фланца - 158 мм. Пластиковая антикоррозионная вставка.11.05 руб.В корзинуВ корзинеВ корзинуВ корзине
Быстрый просмотрКод товара: 11115Для гидроаккумуляторов АКВАБРАЙТ объемом 18-150 литров. Присоединительный размер – 1. Диаметр фланца - 158 мм. Пластиковая антикоррозионная вставка.11.40 руб.В корзинуВ корзинеВ корзинуВ корзине
Быстрый просмотрКод товара: 6504028.82 руб.В корзинуВ корзинеВ корзинуВ корзине -
Быстрый просмотрКод товара: 11456Сливной клапан ДЖИЛЕКС 32 мм с механически управляемым механизмом слива поможет вам избавится от остатков воды в напорном трубопроводе при межсезонной консервации дворовых скважин и колодцев, а также при аварийных работах на магистрали водоснабжения. Легкий в установке и не боится воды.26 руб.В корзинуВ корзинеВ корзинуВ корзине
Быстрый просмотрКод товара: 7406525.91 руб.В корзинуВ корзинеВ корзинуВ корзине
Быстрый просмотрКод товара: 70037Обратный клапан, подключения: 1" внутренняя резьба, 1,25" наружная резьба, без фильтра, запорный механизм из латуни, вес 350 грамм.36 руб.В корзинуВ корзинеВ корзинуВ корзине
Быстрый просмотрКод товара: 2545Предназначен для защиты всасывающей магистрали и поверхностного насоса от попадания крупных механических примесей. Диаметр 98 мм.14 руб.В корзинуВ корзинеВ корзинуВ корзине
Быстрый просмотрКод товара: 55877Обратный клапан JEMIX BRV-1 предназначен для предотвращения слива воды из напорной магистрали. Резьба 1 дюйм (25 мм) Материал корпуса - латунь Материал клапана - пластик19.70 руб.В корзинуВ корзинеВ корзинуВ корзине -
Быстрый просмотрКод товара: 1989Труба полиэтиленовая 32 х 2.4 мм для питьевой воды. Производство: Польша4.80 руб.В корзинуВ корзинеВ корзинуВ корзине
Быстрый просмотрКод товара: 2047Труба полиэтиленовая 32 х 2.0 мм для питьевой воды. Производство: Беларусь Эластичная и надежная голубая труба, не меняет качество и привкус питьевой воды.2.50 руб.В корзинуВ корзинеВ корзинуВ корзине
Быстрый просмотрКод товара: 55821Труба полиэтиленовая 25 х 2.0 мм для питьевой воды. Производство: Польша2.90 руб.В корзинуВ корзинеВ корзинуВ корзине
Быстрый просмотрКод товара: 11065Труба полиэтиленовая 25 х 2.0 мм для питьевой воды. Производство: Беларусь Эластичная и надежная голубая труба, не меняет качество и привкус питьевой воды.2.30 руб.В корзинуВ корзинеВ корзинуВ корзине -
Быстрый просмотрКод товара: 11020Спиральный шланг усиленный стальной проволокой . Материал фитингов — пластик. Материал корпуса обратного клапана — пластик.86 руб.В корзинуВ корзинеВ корзинуВ корзине
Быстрый просмотрКод товара: 11019Спиральный шланг усиленный стальной проволокой . Материал фитингов — пластик. Материал корпуса обратного клапана — пластик.64 руб.В корзинуВ корзинеВ корзинуВ корзине
Быстрый просмотрКод товара: 1194Шланг антивибрационный Omnigena применяется для выполнения непрямолинейных соединений в системах водоснабжения. Материал шланга - пищевая резина EPDM, материал оплетки - нержавеющая сталь36.60 руб.В корзинуВ корзинеВ корзинуВ корзине
Быстрый просмотрКод товара: 1195Шланг антивибрационный Omnigena применяется для выполнения непрямолинейных соединений в системах водоснабжения. Материал шланга - пищевая резина EPDM, материал оплетки - нержавеющая сталь38.50 руб.В корзинуВ корзинеВ корзинуВ корзине
Быстрый просмотрКод товара: 1196Шланг антивибрационный Omnigena применяется для выполнения непрямолинейных соединений в системах водоснабжения. Материал шланга - пищевая резина EPDM, материал оплетки - нержавеющая сталь40.50 руб.В корзинуВ корзинеВ корзинуВ корзине -
Быстрый просмотрКод товара: 20876.10 руб.В корзинуВ корзинеВ корзинуВ корзине
Быстрый просмотрКод товара: 10165Кран шаровый ДЖИЛЕКС 32х1"П ПНД ( П* - наружная резьба ), предназначенный для перекрывания воды в системах водоснабжения.12 руб.В корзинуВ корзинеВ корзинуВ корзине
Быстрый просмотрКод товара: 1106319 руб.В корзинуВ корзинеВ корзинуВ корзине
Быстрый просмотрКод товара: 1106219 руб.В корзинуВ корзинеВ корзинуВ корзине
Быстрый просмотрКод товара: 702973.50 руб.В корзинуВ корзинеВ корзинуВ корзине -
Быстрый просмотрКод товара: 1167Радиальный манометр российской фирмы Unipump служит для визуального контроля давления воды в системе. Отличие радиального манометра от аксиального заключается вместорасположении присоединительного штуцера14 руб.В корзинуВ корзинеВ корзинуВ корзине
Быстрый просмотрКод товара: 7513514 руб.В корзинуВ корзинеВ корзинуВ корзине
Быстрый просмотрКод товара: 7513414 руб.В корзинуВ корзинеВ корзинуВ корзине
Быстрый просмотрКод товара: 7447532.20 руб.В корзинуВ корзинеВ корзинуВ корзине
Быстрый просмотрКод товара: 7447432.20 руб.В корзинуВ корзинеВ корзинуВ корзине -
Быстрый просмотрКод товара: 18306Пятивыводной штуцер удлиненный Джилекс применяют, как связующий элемент при сборке разной комплектации насосных станций (гидрофоров) путем 5-ти резьбовых соединений диаметров в 1 дюйм. Бронза, надежность крепления, большая пропускная способность.35 руб.В корзинуВ корзинеВ корзинуВ корзине
Быстрый просмотрКод товара: 11274Пятиходовой штуцер JEMIX TBC3-5 используют для соединения различных составляющих устройств и приборов контроля при сборе насосных станций. Выполнен из латуни. Имеет 5 точек резьбового соединения: 1''M, 1''F, 1/4''M, 1/4''F, 1''F. Мало весит и не занимает много места при установке. Надежен в раб...14.50 руб.В корзинуВ корзинеВ корзинуВ корзине
Быстрый просмотрКод товара: 2364Пятивыводной штуцер (или пятиходовой штуцер) ITAP применяется в системах автоматического водоснабжения и является соединительным элементом между манометром, реле давления, баком, насосом и выходом воды из насоса. Производство: Италия29 руб.В корзинуВ корзинеВ корзинуВ корзине
Быстрый просмотрКод товара: 11240Трехвыводной штуцер (или трехходовой штуцер) Unipump применяется в системах автоматического водоснабжения и является соединительным элементом для датчика сухого хода LP/3. Производство: КНР22.50 руб.В корзинуВ корзинеВ корзинуВ корзине
Быстрый просмотрКод товара: 1169Пятивыводной штуцер (или пятиходовой штуцер) Unipump применяется в системах автоматического водоснабжения и является соединительным элементом между манометром, реле давления, баком, насосом и выходом воды из насоса. Производство: Россия29.09 руб.В корзинуВ корзинеВ корзинуВ корзине -
Быстрый просмотрКод товара: 1602Трос для погружных насосов. Материал: нержавеющая сталь; Диаметр: 4мм; Вес на разрыв: 570 кг;3 руб.В корзинуВ корзинеВ корзинуВ корзине
Быстрый просмотрКод товара: 64324Для троса диаметром 4мм. Используется для закрепления троса на погружном насосе.2.30 руб.В корзинуВ корзинеВ корзинуВ корзине
Быстрый просмотрКод товара: 64323Для троса диаметром 3мм. Используется для закрепления троса на погружном насосе.2 руб.В корзинуВ корзинеВ корзинуВ корзине
Быстрый просмотрКод товара: 52391Полипропиленовый вязано-плетёный шнур изготовлен из полипропиленовых нитей с использованием высокотехнологичного оборудования. Состоит из оплетки и сердечника. Обладает низкой стоимостью и высокой прочностью. Толщина веревки 12 мм.1.50 руб.В корзинуВ корзинеВ корзинуВ корзине
Быстрый просмотрКод товара: 11466Полипропиленовый вязано-плетёный шнур изготовлен из полипропиленовых нитей с использованием высокотехнологичного оборудования. Состоит из оплетки и сердечника. Обладает низкой стоимостью и высокой прочностью. Толщина веревки 6 мм.0.50 руб.В корзинуВ корзинеВ корзинуВ корзине -
Быстрый просмотрКод товара: 1337Шланги отрезаются любой длины в пределах от 5 до 100 метров с кратностью 5 метров. ЦЕНА за 1 МЕТР! Звоните и заказывайте, мы отрежем вам шланг любого размера и любого диаметра. Шланг (или рукав) предназначен для откачки сточных вод.2.16 руб.В корзинуВ корзинеВ корзинуВ корзине
Быстрый просмотрКод товара: 18384Шланги отрезаются любой длины в пределах от 5 до 100 метров с кратностью 5 метров. ЦЕНА за 1 МЕТР! Звоните и заказывайте, мы отрежем вам шланг любого размера и любого диаметра. Шланг (или рукав) предназначен для откачки сточных вод.3 руб.В корзинуВ корзинеВ корзинуВ корзине
Быстрый просмотрКод товара: 1338Шланги отрезаются любой длины в пределах от 5 до 100 метров с кратностью 5 метров. ЦЕНА за 1 МЕТР! Звоните и заказывайте, мы отрежем вам шланг любого размера и любого диаметра. Шланг (или рукав) предназначен для откачки сточных вод.3.50 руб.В корзинуВ корзинеВ корзинуВ корзине
Быстрый просмотрКод товара: 14212Шланги отрезаются любой длины в пределах от 5 до 100 метров с кратностью 5 метров. ЦЕНА за 1 МЕТР! Звоните и заказывайте, мы отрежем вам шланг любого размера и любого диаметра. Материал ПВХ, в толщине усилен нитями Применяется для откачки воды под напором Цвет: синий рабо...6.40 руб.В корзинуВ корзинеВ корзинуВ корзине
Быстрый просмотрКод товара: 17914Шланги отрезаются любой длины в пределах от 5 до 100 метров с кратностью 5 метров. ЦЕНА за 1 МЕТР! Звоните и заказывайте, мы отрежем вам шланг любого размера и любого диаметра. Материал ПВХ плоской намотки. Применяется для откачки воды под напором Цвет: зеленый рабочее давление: 4 бар2.50 руб.В корзинуВ корзинеВ корзинуВ корзине -
Быстрый просмотрКод товара: 18459Соединение резьбовое для монтажа циркуляционных насосов (комплект 2 гайки) .17.80 руб.В корзинуВ корзинеВ корзинуВ корзине
Быстрый просмотрКод товара: 742272 313.01 руб.В корзинуВ корзинеВ корзинуВ корзине
Быстрый просмотрКод товара: 742261 733.33 руб.В корзинуВ корзинеВ корзинуВ корзине
Быстрый просмотрКод товара: 742251 430.47 руб.В корзинуВ корзинеВ корзинуВ корзине
Быстрый просмотрКод товара: 742241 150.49 руб.В корзинуВ корзинеВ корзинуВ корзине -
Быстрый просмотрКод товара: 75013121.30 руб.В корзинуВ корзинеВ корзинуВ корзине
Быстрый просмотрКод товара: 7501281 руб.В корзинуВ корзинеВ корзинуВ корзине
Быстрый просмотрКод товара: 75011160 руб.В корзинуВ корзинеВ корзинуВ корзине
Быстрый просмотрКод товара: 7501096 руб.В корзинуВ корзинеВ корзинуВ корзине
Быстрый просмотрКод товара: 75008125 руб.В корзинуВ корзинеВ корзинуВ корзине -
Быстрый просмотрКод товара: 75258472.48 руб.В корзинуВ корзинеВ корзинуВ корзине
Быстрый просмотрКод товара: 75257427.12 руб.В корзинуВ корзинеВ корзинуВ корзине
Быстрый просмотрКод товара: 75256355.27 руб.В корзинуВ корзинеВ корзинуВ корзине
Быстрый просмотрКод товара: 64803Фильтр механической очистки каскадный промывной предназначен для установки в систему распределения водоснабжения или отопления в качестве фильтрующего устройства.84.67 руб.В корзинуВ корзинеВ корзинуВ корзине
Быстрый просмотрКод товара: 64801Фильтр механической очистки каскадный промывной предназначен для установки в систему распределения водоснабжения или отопления в качестве фильтрующего устройства.75.30 руб.В корзинуВ корзинеВ корзинуВ корзине -
Быстрый просмотрКод товара: 52263Магистральный фильтр АКВАБРАЙТ модель АБФ-10-34 применяется для очистки холодной воды, изготовлен из усиленного полипропилена. Устанавливается в водопроводную магистраль. Эффективно задерживает различные примеси в зависимости от установленного картриджа. Рекомендуется для предварительной очистки вод...20.70 руб.В корзинуВ корзинеВ корзинуВ корзине
Быстрый просмотрКод товара: 37767Магистральный фильтр АКВАБРАЙТ модель АБФ-10-12 применяется для очистки холодной воды, изготовлен из усиленного полипропилена. Устанавливается в водопроводную магистраль. Эффективно задерживает различные примеси в зависимости от установленного картриджа. Рекомендуется для предварительной очистки вод...19.60 руб.В корзинуВ корзинеВ корзинуВ корзине
Быстрый просмотрКод товара: 52264Магистральный фильтр АКВАБРАЙТ модель АБФ-1 применяется для очистки холодной воды, изготовлен из усиленного полипропилена. Устанавливается в водопроводную магистраль. Эффективно задерживает различные примеси в зависимости от установленного картриджа. Рекомендуется для предварительной очистки воды.25 руб.В корзинуВ корзинеВ корзинуВ корзине
Быстрый просмотрКод товара: 2045Фильтры устанавливаются непосредственно в водопроводную магистраль, рекомендуются для систем водоочистки городских квартир или небольших домов. Удаляют из воды механические нерастворимые примеси, такие как ржавчина, песок, ил и т.п., снижают цветность и мутность воды, защищают трубы, смесители, сант...34.24 руб.В корзинуВ корзинеВ корзинуВ корзине
Быстрый просмотрКод товара: 64326Допустимая температура воды от +1 С до + 40 С ; Подключение: 1"; Тип присоединения: резьбовой; Рабочая среда: вода; Давление подводимой воды до 10 бар; Габариты: 149*132*407.64 руб.В корзинуВ корзинеВ корзинуВ корзине -
Быстрый просмотрКод товара: 37973АКВАБРАЙТ СТАНДАРТ комплект картриджей К-1 для очистки воды. Предназначен для установки в питьевые системы под кухонную мойку. В комплект входят: ПП-5М, УГП-10, УГА-1026.50 руб.В корзинуВ корзинеВ корзинуВ корзине
Быстрый просмотрКод товара: 379198.80 руб.В корзинуВ корзинеВ корзинуВ корзине
Быстрый просмотрКод товара: 22747.61 руб.В корзинуВ корзинеВ корзинуВ корзине
Быстрый просмотрКод товара: 52282Полипропиленовый картридж АКВАБРАЙТ ПП-5 М предназначен для механической очистки воды от песка, грязи и ржавчины. Минимальный Ø задерживаемых частиц - 5 мкм. Рекомендуется для предварительной очистки воды.2.20 руб.В корзинуВ корзинеВ корзинуВ корзине
Быстрый просмотрКод товара: 5234111.94 руб.В корзинуВ корзинеВ корзинуВ корзине -
Быстрый просмотрКод товара: 11202Рабочее давление от 0,9 до 10 бар. Вал и подшипники изготовлены из керамики! Рабочее колесо изготовлено из полимерных материалов, корпус электродвигателя из алюминия. Максимальный напор – 4 м.
Быстрый просмотрКод товара: 10138OMIS 25-40/130 - предназначен для принудительной циркуляции воды в автономных водяных системах отопления жилых домов и небольших промышленных помещений. Напор - 4 метра. Корпус из чугуна. Керамический подшипник. Присоединительный размер, мм: 25; Максимальная высота подачи, м: 4;...
Быстрый просмотрКод товара: 11200Рабочее давление от 0,9 до 10 бар. Вал и подшипники изготовлены из керамики! Рабочее колесо изготовлено из полимерных материалов, корпус электродвигателя из алюминия. Максимальный напор – 4 м.
Быстрый просмотрКод товара: 1050OMI 25-40/180 - предназначен для принудительной циркуляции воды в автономных водяных системах отопления жилых домов и небольших промышленных помещений. Напор - 4 метра. Корпус из чугуна.
Быстрый просмотрКод товара: 65109Циркуляционный насос Джилекс Циркуль Премиум 32/60 предназначен для циркуляции воды или теплоносителя в системах отопления с присоединительным размером гайки 32мм (1¼") и максимальным напором 6,2 метра. -
Быстрый просмотрКод товара: 1631Бренд: Grundfos; Максимальная высота подачи: 4 м; Производительность: 50 л/мин; Максимальная мощность: 45 Вт; Страна производства: Великобритания, Дания, Франция, Сербия; Срок гарантии: 36 мес.
Быстрый просмотрКод товара: 1632Бренд: Grundfos; Максимальная высота подачи: 6 м; Производительность: 53 л/мин; Максимальная мощность: 60 Вт; Страна производства: Великобритания, Дания, Франция, Сербия; Срок гарантии: 36 мес.
Быстрый просмотрКод товара: 75133
Быстрый просмотрКод товара: 70153
Быстрый просмотрКод товара: 10333 -
Быстрый просмотрКод товара: 11127Вертикальный гидроаккумулятор АКВАБРАЙТ ГМ-2 В на 2 л. защищает систему водоснабжения от гидроударов, поддерживает давление в системе. Мембрана EPDM, выдерживает температуру до +99С. Диаметр разъема соединения, дюйм: 1/2; Температура жидкости, max, C: +99; Объем бака, л: 2; ...
Быстрый просмотрКод товара: 10357Гидроаккумулятор, в народе часто называемый попросту расширительным баком, UNIPUMP 2, объемом 2 литра, предназначенный для горизонтальной установки, внешний корпус которого выполнен из стали, а диафрагма из высокопрочной пищевой резины EPDM, выдерживает давление до 6 атм, и температуру воды до 35 C.
Быстрый просмотрКод товара: 11126Вертикальный гидроаккумулятор АКВАБРАЙТ ГМ-5 В на 5л. защищает систему водоснабжения от гидроударов, поддерживает давление в системе. Мембрана EPDM, выдерживает температуру до +99С. Диаметр разъема соединения, дюйм: 3/4; Температура жидкости, max, C: +99; Объем бака, л: 5; ...
Быстрый просмотрКод товара: 11125Вертикальный гидроаккумулятор АКВАБРАЙТ ГМ-8 В на 8 л. защищает систему водоснабжения от гидроударов, поддерживает давление в системе. Мембрана EPDM, выдерживает температуру до +99С. Диаметр разъема соединения, дюйм: 3/4; Температура жидкости, max, C: +99; Объем бака, л: 8; Стра...
Быстрый просмотрКод товара: 7529510 В - предохраняет систему от появления гидроудара, снижает частоту включения насоса. Корпус выполнен из высококачественной стали с тремя слоями краски повышенной стойкости к ультрафиолету. -
Быстрый просмотрКод товара: 1201012,3 кг135.42 руб.В корзинуВ корзинеВ корзинуВ корзине
Быстрый просмотрКод товара: 1201038,15 кг; кейс498.42 руб.В корзинуВ корзинеВ корзинуВ корзине
Быстрый просмотрКод товара: 110106Давление 3,5 бар; расход воздуха 198 л/мин; сопло 1,4 мм; бачок 0,6 л121.02 руб.В корзинуВ корзинеВ корзинуВ корзине
Быстрый просмотрКод товара: 110104Давление 3,5 бар; расход воздуха 198 л/мин; сопло 1,4 мм; бачок 0,6 л89.16 руб.В корзинуВ корзинеВ корзинуВ корзине
Быстрый просмотрКод товара: 110142Давление 3 бар; расход воздуха 266 л/мин; сопло 1,5 мм; бачок 1 л110.28 руб.В корзинуВ корзинеВ корзинуВ корзине -
К сожалению, раздел пуст
В данный момент нет активных товаров -
К сожалению, раздел пуст
В данный момент нет активных товаров
Подробнее о способах оплаты в нашем интернет-магазине в разделе "Способы оплаты"
Мы находимся в центре Минска, и будем рады Вас видеть!
Подробнее читайте в разделе "Склад насосов в Минске".
Доставка в любой из городов осуществляется в течение 1-3 дней, в зависимости от загруженности машин и Ваших предпочтений.
Подробнее со списком городов и о доставке по Беларуси Вы можете ознакомиться в специальном разделе сайта "Доставка по Беларуси"
А также, круглосуточно, Вы можете задавать свои вопросы в форме ниже, либо в разделе "Контакты".
|
Наши специалисты ответят на любой интересующий вопрос по товару или работе магазина
|
Задать вопрос
|



