Поверхностный насос GRUNDFOS NS 5-33 1X230V
NS 5-33 1x230V – это центробежный насос, предназначенный для организации системы водоснабжения частного и промышленного применения, а также сельского хозяйства.
Производительность: л/мин: 150;
Максимальная высота подъема: 33 м;
Потребляемая мощность: 1300 Вт;
Страна производства: Италия;
Срок гарантии: 24 мес
Моноблочный поверхностный самовсасывающий насос центробежного типа GRUNDFOS NS 5-33 с одним рабочим колесом и служит для подачи воды для бытовых нужд и повышения давления в водообеспечивающих системах в частных строениях, в промышленных и сельских производствах малой мощности. Запитывается от однофазной сети переменного тока 220-240 В/ 50 Гц.
Типовой порядок обозначений моделей серии:
Заводская табличка, расположенная на насосе с указанием его технических данных:
1 – типовое название насоса;
2 – заводской номер изделия;
3 – Величина максимального тока;
4 – Год и неделя выпуска изделия;
5 – мощность потребляемой энергии электромотором в кВт;
6 – мощностные данные насосной части в л.с.;
7 – минимальные напорные данные насоса в метрах;
8 – максимальные напорные возможности насоса в метрах;
9 – частота потребляемого тока в Гц;
10 – Страна фирмы-изготовителя;
11 – класс электрозащищенности устройства (IP44);
12 – степень электрозащиты изоляционного слоя (F);
13 – Расчетный диапазон по напору в метрах;
14 – значки соответствия качества;
15 частота вращения ротора электродвигателя в об./мин.;
16 – расходные данные установки в куб. метрах/час;
17 – пусковые данные конденсатора в мкФ/В;
18 – данные электросети в вольтах;
19 – максимальная величина рабочего давления и температуры окружающей среды в МПа, бар/С;
20 – номер серии продукта.
Преимущества Grundfos NS 5-33
-
Корпус насоса, опора двигателя и рабочий диск колеса выполнены из чугунного литья с эмалевым покрытием от ржавчины, рабочее колесо – из технополимера, вал электродвигателя – из нержавеющей стали, торцевые уплотнения – из графит/керамики;
-
Простой, быстрый и удобный монтаж установки;
-
Не требуется дополнительного обслуживания;
-
Большой срок гарантийной эксплуатации до 10 лет;
-
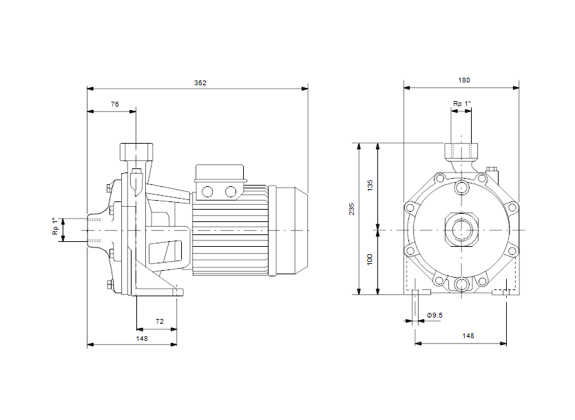
Простая компоновка, малый вес и геометрические размеры установки:
1 – насосная часть гидравлики;
2 – электромотор;
3 – патрубок всасывающей части;
4 – патрубок напорной части;
5 – заливная горловина с пробкой.
-
Категорически запрещается применять для перекачки горюче смазочных фракций, горючих жидкостей, растворов с длинноволокнистыми и твердыми вкраплениями, а также растворов, способных повредить конструктивные детали установки;
-
Монтировать насос необходимо строго в горизонтальной плоскости на твердой, защищенной от внешних воздействий площадке;
-
Электродвигатель принудительно охлаждается потоком воздуха от встроенного вентилятора;
-
Разница по электрическим характеристикам насосов серии:
-
Прекрасные напорные и расходные данные установок серии:
-
Температурные границы эксплуатации насоса:
- Для жидкости внутри насоса: от 0 до 35 С;
- Для насосов с 2-мя рабочими колесами: от-10 до +50 С;
- Для насосов с одним рабочим колесом: от -15 до +110 С.
-
Малый шум при работе установки до 80 дБ (А);
-
Максимальное количество пусков в течении часа не более 20 шт.
Комплектация Grundfos NS 5-33
В комплект поставки входят:
-
Поверхностный самовсасывающий насос центробежного типа в сборе – 1 шт.
-
Инструкция по эксплуатации и мерам безопасности – 1 шт.
-
Транспортировочная картонная тара – 1 шт.
Купить Grundfos NS 5-33 в интернет-магазине
Вы можете купить поверхностный самовсасывающий насос центробежного типа Grundfos NS 5-33 на нашем складе, предварительно уточнив наличие и время вашего приезда с нашими менеджерами по телефону. Если нет возможности забрать товар самостоятельно, мы доставим вам поверхностный самовсасывающий насос центробежного типа Grundfos NS 5-33 в любую точку Беларуси по тарифам, которые вы можете посмотреть на странице «Доставка».
|
Модель
|
NS 5-33 1X230V |
|
Потребляемая мощность, Вт
|
1300 |
|
Напряжение в сети, В
|
220 |
|
Качество воды
|
чистая |
|
Максимальный напор, м
|
33 |
|
Производительность, max (л/мин)
|
150 |
|
Материал корпуса насоса
|
чугун |
|
Длина кабеля, м
|
1,5 |
|
Защита от сухого хода
|
нет |
|
Уровень шума, дБ
|
77 |
|
Температура перекачиваемой жидкости, max, C
|
35 |
|
Частота, Гц
|
50 |
|
Мин. температура жидкости, °С
|
0 |
|
Макс. температура жидкости, °С
|
+35 |
|
Класс защиты
|
IP 44 |
|
Высота, мм
|
100 |
|
Ширина, мм
|
185 |
|
Вес, кг
|
15 |
|
Присоединительный размер, мм (дюймов)
|
25 (1") |
|
Длина, мм
|
330 |
|
Максимальное рабочее давление, бар
|
6 |
|
Страна производства
|
Италия |
|
Производитель
|
GRUNDFOS A/S. Poul Due Jensens Vej 7. DK-8850 Bjerringbro, Дания |
|
Срок гарантии (мес)
|
24 |
Подробнее о способах оплаты в нашем интернет-магазине в разделе "Способы оплаты"
Мы находимся в центре Минска, и будем рады Вас видеть!
Подробнее читайте в разделе "Склад насосов в Минске".
Доставка в любой из городов осуществляется в течение 1-3 дней, в зависимости от загруженности машин и Ваших предпочтений.
Подробнее со списком городов и о доставке по Беларуси Вы можете ознакомиться в специальном разделе сайта "Доставка по Беларуси"
А также, круглосуточно, Вы можете задавать свои вопросы в форме ниже, либо в разделе "Контакты".
|
Наши специалисты ответят на любой интересующий вопрос по товару или работе магазина
|
Задать вопрос
|



