Насос повышения давления Grundfos UPA 15-160
Описание и технические характеристики насоса Grundfos UPA 15-160
Grundfos upa 15-160 – это безсальниковый насос, работающий по типу «мокрого ротора». Электрический двигатель для данного насоса отделяется от статора специальной защитной гильзой, которая изготавливается из нержавеющей стали. Таким образом, электрический двигатель насоса охлаждается перекачиваемой жидкостью, и он не требует установки воздушного охлаждения. Наш интернет-магазин предлагает большое количество моделей насосов повышения давления Grundfos.
С помощью переключателя, который установлен на клеммной коробке, можно задавать насосу необходимый режим работы. Небольшие габариты и маленький вес насоса позволяют использовать его на трубопроводах. Устанавливая насос для эксплуатации, стоит отметить, что вал насоса должен располагаться горизонтально, а клеммная коробка устанавливается сверху.
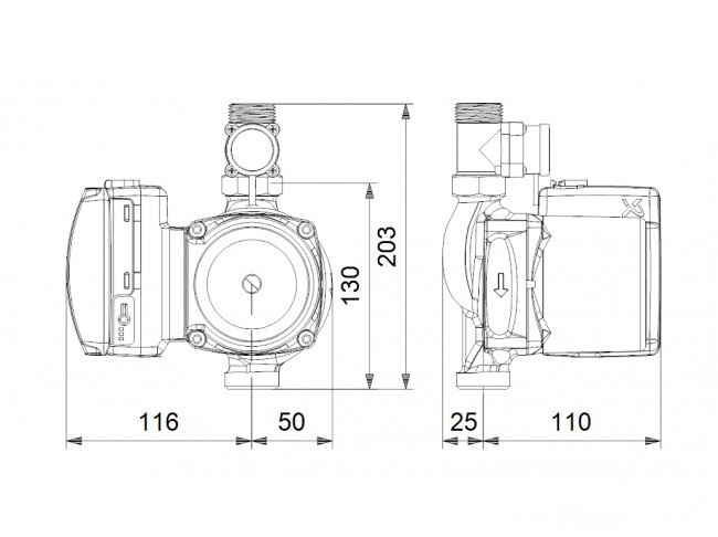
Корпус насоса изготовлен из чугуна с катафорезным покрытием, а максимальная высота подачи составляет 16 метров. Насос grundfos upa 15-160 способен перекачивать 77 литров в минуту, что позволяет применять его для работы с большим объемом воды.
Насос grundfos upa 15-160 предназначается для повышения давления в системе. Нередко его используют предприятия для поддержки необходимого давления воды в собственной сети водоснабжения. Также насос grundfos upa 15-160 может использоваться:
- на входе в проточный водонагреватель, посудомоечную или стиральную машинку, а также в газовую колонку;
- для повышения давления воды в квартире или в доме;
- для повышения давления в водозаборных точках;
Стоит помнить, что минимальное давление на патрубке для всасывания воды должно составлять не менее 0,2 бара.
Преимущества, которые доказывают необходимость купить grundfos upa 15-160:
- антикоррозионное покрытие изнутри;
- возможность установки прямо на трубопроводе;
- низкий уровень шума при эксплуатации;
- компактность, небольшой вес и габариты;
- небольшая потребляемая мощность;
- безсальниковый насос с нержавеющим датчиком протока;
- защита от «сухого хода»;
Проблема недостаточного давления воды в водопроводной системе очень знакома для большинства пользователей таких систем. При низком давлении не может работать большинство бытовых приборов, поэтому для повышения давления в системе стоит купить grundfos upa 15-160. Удобная конструкция насоса позволяет произвести его моментальный монтаж в трубопроводную систему. Обратите внимание, что в насосе grundfos upa 15-160 - цена полностью соответствует его качеству и долговечности.
Купить насос Grundfos UPA 15-160 в интернет-магазине
Вы можете купить насос Grundfos UPA 15-160 на складе, предварительно уточнив наличие и время вашего приезда с нашими менеджерами по телефону.
Если нет возможности забрать товар самостоятельно, мы доставим вам насос Grundfos UPA 15-160 в любую точку Беларуси по тарифам, которые вы можете посмотреть на странице «Доставка».
|
Модель
|
UPA 15-160 |
|
Потребляемая мощность, Вт
|
180 |
|
Напряжение в сети, В
|
220 |
|
Тип насоса
|
циркуляционный |
|
Качество воды
|
чистая |
|
Максимальный напор, м
|
16 |
|
Производительность, max (л/мин)
|
77 |
|
Материал корпуса насоса
|
чугун |
|
Длина кабеля, м
|
1,5 |
|
Защита от сухого хода
|
есть |
|
Частота, Гц
|
50 |
|
Мин. температура жидкости, °С
|
+2 |
|
Макс. температура жидкости, °С
|
+95 |
|
Класс защиты
|
IP 42 |
|
Вес, кг
|
5,6 |
|
Присоединительный размер, мм (дюймов)
|
25 (1") |
|
Тип ротора
|
мокрый |
|
Монтажная длина, мм
|
203 |
|
Максимальное рабочее давление, бар
|
10 |
|
Страна производства
|
Китай |
|
Производитель
|
GRUNDFOS A/S. Poul Due Jensens Vej 7. DK-8850 Bjerringbro, Дания |
|
Срок гарантии (мес)
|
24 |
Подробнее о способах оплаты в нашем интернет-магазине в разделе "Способы оплаты"
Мы находимся в центре Минска, и будем рады Вас видеть!
Подробнее читайте в разделе "Склад насосов в Минске".
Доставка в любой из городов осуществляется в течение 1-3 дней, в зависимости от загруженности машин и Ваших предпочтений.
Подробнее со списком городов и о доставке по Беларуси Вы можете ознакомиться в специальном разделе сайта "Доставка по Беларуси"
А также, круглосуточно, Вы можете задавать свои вопросы в форме ниже, либо в разделе "Контакты".
|
Наши специалисты ответят на любой интересующий вопрос по товару или работе магазина
|
Задать вопрос
|



