Промышленная канализационная насосная установка SFA SANICUBIC 1 SC3.0 T
Модель
SANICUBIC 1 SC3.0 T
Объем бака, л
480
Потребляемая мощность, Вт
3000
Напряжение в сети, В
400
Максимальный напор, м
10
Частота, Гц
50-60
Класс защиты
IP 57
Высота, мм
1115
Вес, кг
210
Присоединительный размер, мм (дюймов)
100 (4")
Гарантия 30 месяцев
Уточняйте наличие
Подобрать аналог
SFA Sanicubic 1 SC3.0 T - это станция оснащенная высокопроизводительной турбиной Single Channel, подходит для отведения всех сточных вод самых различных областей применения, и прекрасно адаптирован к потребностям профессионального использования.
Описание
SANICUBIC 1 SC3.0 T (SFA) - это подъемная станция с двигателем IP68, оснащенная высокопроизводительной турбиной Single Channel. Канализационная станция SANICUBIC 1 SC3.0 T идеально подходит для большого количества стоков в многоквартирных домах и больших зданиях (офисы, гостиницы и др.)
Станция SANICUBIC 1 SC3.0 T для откачки канализационных стоков в стандартной комплектации поставляется с пультом дистанционного управления, который включает дистанционное управление, а также звуковую и визуальную сигнализацию.
Преимущества SANICUBIC 1 SC3.0 T (SFA)
- Высокая производительность: трехфазный двигатель с турбиной SINGLE CHANNEL
- Откачивание стоков с отходами до 80 мм без засоров
- Удобное устройство управления входит в комплект
- Полиэтиленовый резервуар
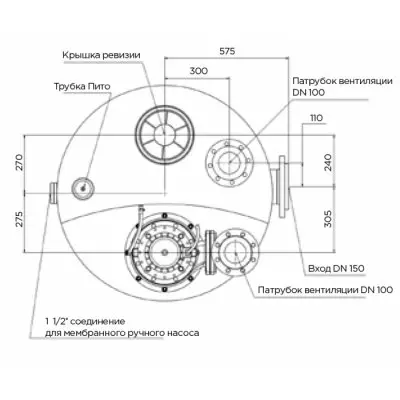
- Насос оснащен напорным фланцем DN 100
- Боковой вход с фланцем DN 150
- Возможность подключения 1 1/2" мембранного ручного насоса
- Пуск треугольник-звезда для двигателя 7,5 кВт
- Максимальная рабочая температура 55°С
- Режим работы S3 — 25 %
- Возможность настройки уровня активации
- Гарантия — 2,5 года.
Применение SANICUBIC 1 SC3.0 T (SFA)
- Отвод канализационных стоков от многоквартирных зданий, промышленных предприятий и т. д.
- Напольная установка в отапливаемых
- помещениях ниже уровня основной канализации
Характеристики
|
Модель
|
SANICUBIC 1 SC3.0 T |
|
Объем бака, л
|
480 |
|
Потребляемая мощность, Вт
|
3000 |
|
Напряжение в сети, В
|
400 |
|
Максимальный напор, м
|
10 |
|
Частота, Гц
|
50-60 |
|
Класс защиты
|
IP 57 |
|
Высота, мм
|
1115 |
|
Вес, кг
|
210 |
|
Присоединительный размер, мм (дюймов)
|
100 (4") |
|
Длина, мм
|
1000 |
|
Срок гарантии (мес)
|
30 |
Отзывы
Вопрос-ответ
Работаете ли вы по безналичному расчету?
Да, мы работаем по безналичному расчету. Заявки и реквизиты отправляйте на электронную почту zakaz@nasosov.by
Подробнее о способах оплаты в нашем интернет-магазине в разделе "Способы оплаты"
Подробнее о способах оплаты в нашем интернет-магазине в разделе "Способы оплаты"
Возможен ли самовывоз заказанного товара?
Конечно! Вы можете посмотреть на товар "вживую" и забрать насос прямо со склада в Минске.
Мы находимся в центре Минска, и будем рады Вас видеть!
Подробнее читайте в разделе "Склад насосов в Минске".
Мы находимся в центре Минска, и будем рады Вас видеть!
Подробнее читайте в разделе "Склад насосов в Минске".
Как осуществляется доставка в регионы?
Мы осуществляем доставку в 134 города Беларуси, тем самым охватывая 85% населения нашей страны.
Доставка в любой из городов осуществляется в течение 1-3 дней, в зависимости от загруженности машин и Ваших предпочтений.
Подробнее со списком городов и о доставке по Беларуси Вы можете ознакомиться в специальном разделе сайта "Доставка по Беларуси"
Доставка в любой из городов осуществляется в течение 1-3 дней, в зависимости от загруженности машин и Ваших предпочтений.
Подробнее со списком городов и о доставке по Беларуси Вы можете ознакомиться в специальном разделе сайта "Доставка по Беларуси"
Подскажите какой режим работы консультанта по телефону?
По любым, возникшим у Вас вопросам, вы можете обращаться к нам в будние дни с 9:00 до 18:00.
А также, круглосуточно, Вы можете задавать свои вопросы в форме ниже, либо в разделе "Контакты".
А также, круглосуточно, Вы можете задавать свои вопросы в форме ниже, либо в разделе "Контакты".
|
Наши специалисты ответят на любой интересующий вопрос по товару или работе магазина
|
Задать вопрос
|





