Канализационная установка SFA SANIPRO
ГАРАНТИЯ: 36 МЕС.
СТРАНА ПРОИЗВОДСТВА: ФРАНЦИЯ
Адаптируемый насос-измельчитель SANIPRO создан для сбора и отведения стоковых вод от унитаза, умывальника, душа и биде. Насос применяют в быту и любых других условиях жизнедеятельности человека с ограничением 4-х доступов входных патрубков. Его можно устанавливать ниже основного сточного коллектора на 5 метров, с расчетом горизонтального напора до 100 метров. Максимальная температура сточных вод +35 С. Благодаря применяемым материалам и уникальной конструкции насос создает очень мало шума при работе, что близко с естественными шумами в туалетной комнате. Запитывается от однофазной переменной сети 220-240 В/ 50 Гц.
Преимущества SANIPRO
-
Корпус бака станции выполнен из технополимера с содержанием полипропилена, дробилка ножа-измельчителя – из нержавеющей стали с никелевым покрытием;
-
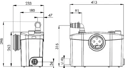
Малые размеры (413х180х263 мм) и современный дизайн установки позволяют почти незаметно устанавливать насос-измельчитель прямо за ножкой унитаза:
-
Наличие дополнительных 3-х входных патрубков диаметром по 40 мм позволяет подсоединять к бачку насоса кроме слива унитаза дополнительно от умывальника, душа и биде:
-
Автоматическое откачивание нечистот из бачка при нажатии кнопки слива;
-
Высота подъема напора при сливе до 5-ти метров, а по горизонтальному трубопроводу – до 100 метров;
-
Наличие автоматического измельчителя нечистот при поступлении в бак;
-
Низкий уровень шума: не более 46 дБ при работе слива;
-
Крепление бака к полу туалетной комнаты и наличие 4-х ножек на основании бака уменьшает вибрацию при работе дробилки;
-
Откачивающие патрубки на 22, 28, 32 и 40 мм;
-
Возможно подключение сигнализации максимального заполнения бака;
-
Высокая производительность:
-
Наличие угольного фильтра, съемного обратного клапана с поворотом на 360 градусов;
-
Мобильное и простое обслуживание установки. Доступность замены отдельных деталей через обслуживающие центры или самостоятельно;
-
Высокое европейское качества производства и применяемых материалов;
-
Полная адаптация к местным условиям эксплуатации по показаниям электросети, давлению и качеству воды;
-
Надежная и эффективная система дробления крупных твердых фекалий и длинных волокнистых компонентов в растворах.
Комплектация SANIPRO
В комплект поставки входит:
-
Насос-измельчитель в сборе – 1 шт.
-
Патрубки подвода и отвода слива – 5 комплектов
-
Хомуты крепления с винтами – 7 шт.
-
Ножки основания бака – 4 шт.
-
Угловой патрубок с обратным клапаном – 1 шт.
-
Инструкция пользователя – 1 шт.
-
Картонная тара для хранения и транспортировки – 1 шт.
Купить SANIPRO в интернет-магазине
Вы можете купить SANIPRO на нашем складе, предварительно уточнив наличие и время вашего приезда с нашими менеджерами по телефону.
Если нет возможности забрать товар самостоятельно, мы доставим вам SANIPRO в любую точку Беларуси по тарифам, которые вы можете посмотреть на странице «Доставка».
Видео про SANIPRO
|
Модель
|
SANIPRO |
|
Потребляемая мощность, Вт
|
400 |
|
Напряжение в сети, В
|
220 |
|
Тип насоса
|
насосная станция |
|
Качество воды
|
загрязненная |
|
Максимальный напор, м
|
5 |
|
Производительность, max (л/мин)
|
60 |
|
Материал корпуса насоса
|
пластик |
|
Длина кабеля, м
|
2 |
|
Защита от сухого хода
|
есть |
|
Уровень шума, дБ
|
55 |
|
Частота, Гц
|
50 |
|
Макс. температура жидкости, °С
|
35 |
|
Класс защиты
|
IP44 |
|
Высота, мм
|
263 |
|
Ширина, мм
|
180 |
|
Вес, кг
|
7 |
|
Присоединительный размер, мм (дюймов)
|
32 (1¼) |
|
Длина, мм
|
413 |
|
Страна производства
|
Франция |
|
Производитель
|
SFA |
|
Срок гарантии (мес)
|
36 |
Подробнее о способах оплаты в нашем интернет-магазине в разделе "Способы оплаты"
Мы находимся в центре Минска, и будем рады Вас видеть!
Подробнее читайте в разделе "Склад насосов в Минске".
Доставка в любой из городов осуществляется в течение 1-3 дней, в зависимости от загруженности машин и Ваших предпочтений.
Подробнее со списком городов и о доставке по Беларуси Вы можете ознакомиться в специальном разделе сайта "Доставка по Беларуси"
А также, круглосуточно, Вы можете задавать свои вопросы в форме ниже, либо в разделе "Контакты".
|
Наши специалисты ответят на любой интересующий вопрос по товару или работе магазина
|
Задать вопрос
|


